bonjour a vous .
je viens vers vous pour un petit renseignement svp .
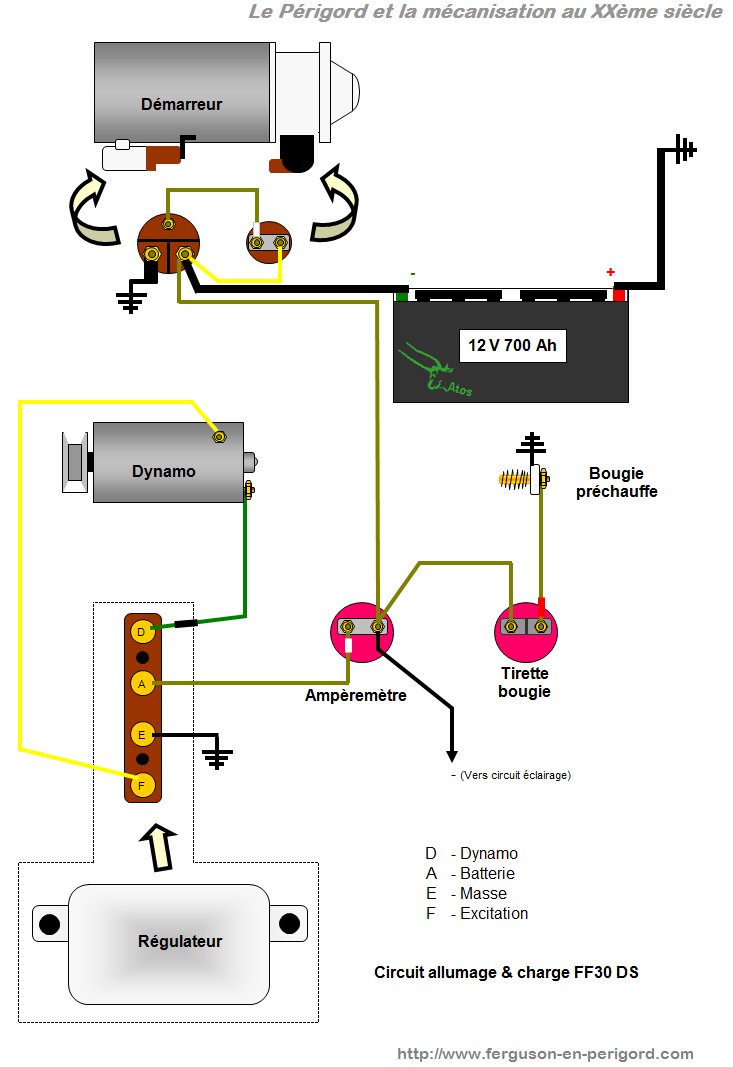
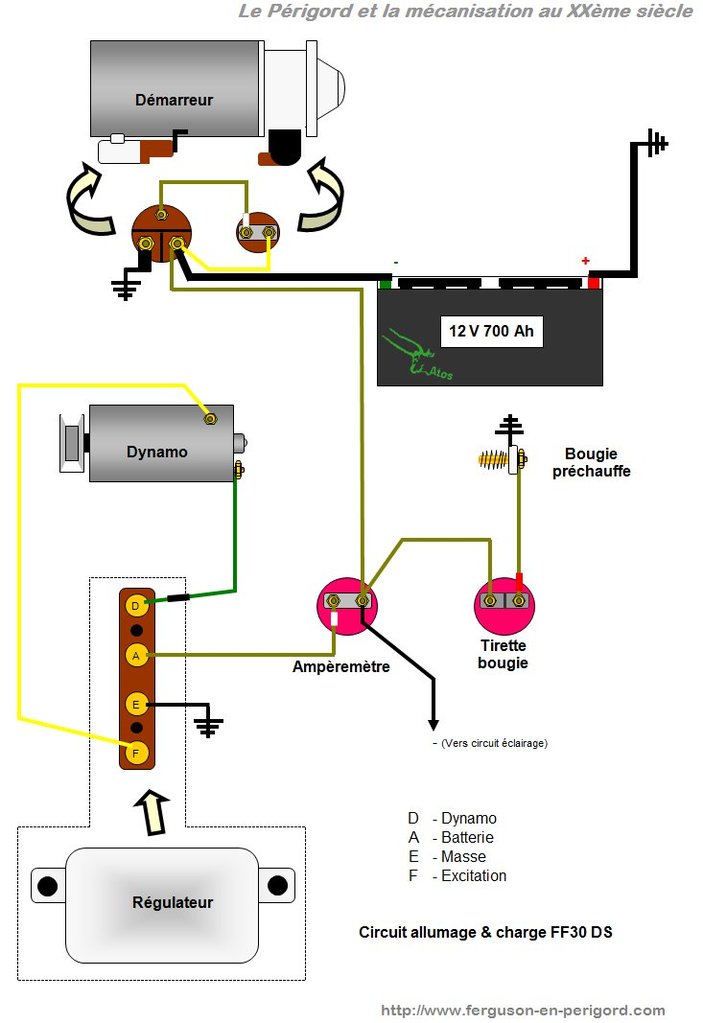
je viens de remplacer tous les indicateurs de mon FF30 D de 1958 , et je souhaite brancher l'ampèremètre , seul problème c,est que je ne sais pas a quoi je dois le brancher.
auriez vous svp les informations nécessaire afin que je puisse effectuer cette opération ?
je vous remercie beaucoup par avance
très bonne journée
cordialement
david
